Toggle navigation
Home
Scenic
Lighting
CV
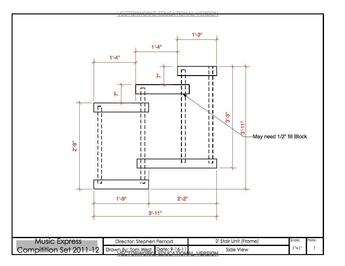
Director: Stephen Pernod
Theatre: Garfield Heights High School
Scenic Designer/Technical Director: Tom West
Paperwork